Die
D880
D880
CJ
FAIRCHILD TO-220
In Stock: 1700 pcs
-transistor, 'n robuuste NPN-halfgeleierapparaat wat in 'n TO-220-pakket gehuisves word, presteer in klankfrekwensieversterking en hoë-laai-bestuur.Met 'n versamelstroomvermoë van tot 3A en die vermoë om spannings tot 60V te hanteer, is dit 'n gunstige keuse in DC-DC-omsetters, klankbane en lae-spanning-omskakelingstoepassings.Die veelsydigheid, doeltreffendheid en betroubaarheid daarvan is effektief vir u om betroubare werkverrigting in verskillende elektroniese ontwerpe te soek.
Katalogus
Die
D880
D880
CJ
FAIRCHILD TO-220
In Stock: 1700 pcs
Transistor, 'n vooraanstaande NPN-halfgeleierapparaat wat in 'n TO-220-pakket omhul is, wat effektief is in klankfrekwensieversterking.Die aanpasbaarheid daarvan skyn in 'n magdom algemene toepassings.Met die vermoë om tot 3A lasstroom te hanteer, is dit voordelig vir bedryfsmotors, hoë-kragtransistors en relais met 'n duidelike doeltreffendheid.Sulke bevoegdheid is 'n beroep op u in elektroniese waardering van betroubare bestuur van hoë vrag.
• klankfrekwensieversterking
• Bestuursmotors, hoë-krag-transistors en relais
• Geskik vir professionele sowel as stokperdjieprojekte
Die doeltreffende lasbestuur van die transistor weerklink met die praktiese behoeftes en ambisies van diegene wat graag robuuste elektroniese stelsels wil ontwikkel.
Die
D880
D880
CJ
FAIRCHILD TO-220
In Stock: 1700 pcs
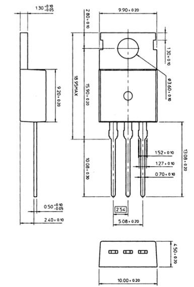
-transistor, wat erken word vir die waarde daarvan in elektroniese stroombane, bevat drie fundamentele penne: die emittor (e), die basis (b) en die versamelaar (c).Deur die unieke funksies en die dinamiese wisselwerking van hierdie penne te gryp, verhoog die veelsydigheid van die transistor in 'n wye verskeidenheid toepassings.

PIN NOMMER
|
Pen naam
|
Beskrywing
|
1
|
Basis
|
Beheer die vooroordeel van die transistor.Gebruik om aan te skakel
of van die transistor af.
|
2
|
Versamelaar
|
Huidige vloei in deur middel van versamelaar, normaalweg gekoppel aan
vrag.
|
3
|
Emitter
|
Stroom dreineer deur emitter, normaalweg gekoppel aan
grond.
|
Fisiese en elektriese spesifikasies
Die
D880
D880
CJ
FAIRCHILD TO-220
In Stock: 1700 pcs
-transistor is toegemaak in 'n TO-220-pakket, en is 'n voorbeeld van veerkragtigheid met sy vaardige hitte-verspreiding en meganiese stabiliteit.As 'n NPN-tipe transistor, ondersteun dit 'n maksimum versamelstroom van 3A, wat dit 'n waardevolle bate maak in kragversterking en omskakeling van rolle.Dit kan 'n versamelaar-emitter-spanning tot 60V verduur, wat verskillende stroombaankonfigurasies vergemaklik.
Prestasie en kapasiteit
Die vermoë van die transistor om 30W krag te versprei, beklemtoon sy vaardigheid in die vermindering van kragverlies en verhoog die prestasievlakke in elektroniese stroombane.Met 'n oorgangsfrekwensie van 3 MHz, bevind dit hom tuis in klankversterkerinstellings en RF-verwerkingstake, waardeur dit in hoëfrekwensie-toepassings kan dien.Die bedryfstemperatuur wissel van -55 tot +150 ° C spreek tot sy robuustheid en aanpasbaarheid, wat die betroubaarheid daarvan in sowel kommersiële as industriële omgewings bewys.
Strome en winste
Die DC -stroomwins, wat wissel van 60 tot 300, beklemtoon die D880 se seinversterkingspotensiaal, wat die belangrikheid daarvan in stroombane is wat aansienlike wins uit minimale insette benodig.Hierdie faktor beïnvloed veral die doeltreffendheid daarvan in omgewings waar presiese seinverbetering noodsaaklik is, soos in klankverwerkingstoerusting.In praktiese gebruik is die hoër winswaardes dikwels gelyk aan verbeterde prestasie in lae-sein kontekste, wat die seinintegriteit behou.
Kenners verkies dikwels die D880 vir sy harmonieuse mengsel van kragbestuur en seinversterking.Om sy lewensduur en prestasie -bestendigheid uit te brei, word optimale hittebestuur, moontlik deur die gebruik van geskikte koelbakke, dikwels geïmplementeer.Die betroubaarheid daarvan in veelsydige instellings is 'n bewys van die wydverspreide integrasie in beide eksperimentele en gevestigde elektroniese ontwerpe.As dit nadenkend gebruik word, lewer dit aansienlike voordele in doeltreffendheid en effektiwiteit, en pas moeiteloos in verskillende elektriese raamwerke sonder om funksionaliteit in te boet.
Tik
|
Parameter
|
Pakket / saak
|
TO-220
|
Verpakking
|
Buis verpak
|
Spanning - Versamelaar -emitter -afbreek (maksimum)
|
60V
|
Huidige - Versamelaar (IC) (Max)
|
3a
|
Krag - Max
|
30W
|
ROHS -status
|
ROHS voldoen aan
|
Die
D880
D880
CJ
FAIRCHILD TO-220
In Stock: 1700 pcs
-transistor is 'n buigsame en doeltreffende komponent wat gereeld in baie elektroniese projekte gebruik word.Dit werk veral goed vir take wat effektiewe kragbestuur, akkurate beheer en betroubare werking behels.Deur die toepassings en gebruike in gedetailleerde en gestruktureerde afdelings te organiseer, kan u die funksies daarvan beter verstaan en hoe dit op verskillende doeleindes van toepassing is.
Kragomskakelingsaansoeke
Die D880-transistor is baie gewaardeer in kragomskakelingstelsels, veral in DC-DC-omsetters.Hierdie omsetters transformeer die direkte stroom doeltreffend van een spanningsvlak na 'n ander, wat noodsaaklik is in toestelle soos elektronika met batterye, waar energie-doeltreffendheid nodig is.Die robuuste werkverrigting van die transistor verseker 'n gladde werking in hierdie stelsels, wat toestelle in staat stel om kragverbruik te optimaliseer en die batterylewe te verleng.
Klankversterkingsvermoëns
In klankstelsels vind u die D880 wat in versterkingstroombane gebruik word.Dit hanteer strome met 'n hoë uitset, wat beide klankgehalte en volume verbeter, wat dit 'n uitstekende keuse maak vir alles van persoonlike klanktoestelle tot professionele klankopstellings.Die vermoë om duidelike, versterkte seine met minimale verdraaiing te bied, maak dit gewild onder sowel klankentoesiaste as professionele persone.Behalwe klanktake, kan u dit ook gebruik in die algemene versterkingskringbane waar konsekwente en betroubare werkverrigting nodig is om sterk elektroniese versterkers aan te dryf.
Skakel toepassings in elektronika
Die D880 is ewe effektief in die oorskakeling van bewerkings, veral in toepassings wat lae spanning en mediumstroomhantering benodig.Die vermoë om matige huidige vlakke te bestuur, maak dit 'n betroubare keuse om take oor te skakel, wat die naatlose werking van verskillende elektroniese toestelle verseker.Of dit nou gebruik word om stroombane in mikrobeheerders te skakel of om motors, hoë-krag-relais en beligtingstelsels te beheer, die D880 verseker presiese en stabiele werkverrigting.Hierdie veelsydigheid verhoog die betroubaarheid en lang lewe van toestelle, wat dit 'n sleutelkomponent maak in outomatiese stelsels en intelligente toestelle.
Die D880-transistor is 'n multifunksionele komponent wat naatloos aanpas by 'n wye verskeidenheid tegnologiese behoeftes.Die dubbele vermoë om as 'n kragtige versterker op te tree en 'n betroubare skakelaar stel dit in staat om verskillende vereistes in nywerhede aan te spreek.Of dit nou klankprestasie verhoog of presiese beheer oor elektroniese stelsels bied, die D880 kombineer duursaamheid, doeltreffendheid en buigsaamheid om 'n primêre deel van beide eenvoudige en komplekse elektroniese opstellings te word.
• NTE152
• SC1826
•
BD241
BD241
FSC
BD241 FSC TO-220
In Stock: 2230 pcs
•
2SB834
2SB834
CJ
TO-220 97
In Stock: 19000 pcs
•
2SC1060
2SC1060
HITACHI
771
In Stock: 2346 pcs
•
2SC1061
2SC1061
MOSFEC
MOSFEC TO-220
In Stock: 1457 pcs
• 2SC1173
• 2SC1226
• 2SC1226A
• 2SC1418
• 2SC1419
•
2SC2236
2SC2236
HGF
2SC2236 TOSHIBA TO-92
In Stock: 6715 pcs
•
2SC2500
2SC2500
TOSHIBA
2SC2500 HGF TO-92L
In Stock: 5220 pcs
•
2SC2075
2SC2075
TOSHIBA
2SC2075 三洋 TO220
In Stock: 11518 pcs
•
2SD1134
2SD1134
HIT
2SD1134 HIT TO220
In Stock: 8700 pcs
• 2SD1274A
• 2SC1985
•
2SC1826
2SC1826
FAIRCHILD
2SC1826 SAK TO-220
In Stock: 2200 pcs
• BDT31
• BDT31A
•
KSA1220
KSA1220
FAIRCHILD
786
In Stock: 1000200 pcs
•
2N5551
2N5551
Diotec Semiconductor
BJT TO-92 160V 600MA
In Stock: 136000 pcs
•
S8550
S8550
MDD
TRANS PNP 25V 0.5A SOT23
In Stock: 1000000 pcs
•
BD136
BD136
onsemi
TRANS PNP 45V 1.5A TO126
In Stock: 50000 pcs
•
TIP32C
TIP32C
NTE Electronics, Inc
TRANS PNP 100V 3A TO220
Out Stock
Deur die
D880
D880
CJ
FAIRCHILD TO-220
In Stock: 1700 pcs
-transistor te gebruik, verseker dit effektief stabiele en betroubare kringprestasie, terwyl die leeftyd verleng word.Om dit te bereik, is dit belangrik om die transistor onder 20% van sy maksimum graderings te bedryf, deur 'n veiligheidsmarge te handhaaf wat oorbelasting voorkom.
Die D880 het 'n maksimum versamelaarstroom van 3A, dus word aanbeveel om vragte van meer as 2.4A te vermy om die spanning op die komponent te verminder.Met 'n maksimum spanning van 60V tussen die versamelaar en emitter, is dit die beste om nie meer as 48V op die las toe te pas om veilige werking te verseker nie.As u hierdie perke oorskry, kan dit lei tot oorverhitting of skade.

Om die transistor te beskerm en stabiele funksionaliteit te handhaaf, is dit noodsaaklik om 'n geskikte koelkas te pas.Dit voorkom oormatige opbou van hitte tydens die werking.Hou ook die werkingstemperatuur binne die omgewing van -55 ° C tot +150 ° C.Die versekering van behoorlike termiese bestuur is van kritieke belang vir beide doeltreffendheid en duursaamheid in u elektroniese projekte.
Deur hierdie voorsorgmaatreëls te volg, kan die D880 -transistor doeltreffend en betroubaar presteer, wat dit 'n uitstekende keuse maak om verskillende stroombane in u toepassings aan te dryf en te beheer.

Feihong Machinery & Electrical Co., Ltd. speel 'n invloedryke rol in die produksie van die verwarmer van China.Dit bied toerusting wat wyd gebruik word om verskillende soorte verwarmers te vervaardig, en beklemtoon die belangrikheid daarvan in die bedryf.Die sukses van die onderneming is diep gewortel in hul onwrikbare toewyding aan presisie en betroubaarheid, eienskappe wat baie gesog in die vervaardiging van verwarmermasjinerie is.Hul deurlopende strewe na uitnemendheid weerspieël hul veerkragtigheid en aanpasbaarheid.
1. Wat is die potensiële toepassings van die D880 -transistor in moderne elektronika?
Die D880-transistor word hoofsaaklik gebruik in lae-frekwensie-kragversterker-stroombane.Spesifiek is dit 'n integrale deel in die ontwerp van klas B-stoot-pull-versterker, waar die koppeling van NPN met komplementêre PNP-transistors voordelig is.In toepassings in die werklike wêreld verminder sulke konfigurasies die verdraaiing in klankversterkers doeltreffend, wat aansienlike waarde toevoeg tot verbruikerselektronika soos tuisstelsels en musiekinstrumente.Deur die jare het kenners opgemerk dat die optimalisering van die wisselwerking tussen kraghantering en stabiliteit die potensiaal van die transistor kan ontsluit.
2. Is dit haalbaar om D882 vir D880 in kringontwerpe te vervang?
As u dit oorweeg om 'n D882 vir 'n D880 te vervang, moet u seker maak dat stroombaanspanning nie 30V oortref nie en dat strome onder 3A bly.Die korrekte belyning tydens vervanging is noodsaaklik, aangesien die nuwe transistor in lyn moet wees met die bestaande PIN -opstelling.Beklemtoon die waarde van omvattende kringtoetsing na-substitusie.Verifiëring dat alle parameters in harmonie is met die ontwerpspesifikasies, waarborg die behoud van die integriteit en funksionaliteit van die kring.
3. Wat is die regte metode om die D880 -transistor in 'n kring te draad?
Die D880 bevat 'n struktuur met twee nou geleë PN -aansluitings wat die halfgeleier in basis, emitter en versamelaar verdeel.'N Pyltjie merk die emitter, met die basis in die middel en die versamelaar oorkant die emitter, wat almal ooreenstem met die NPN- en PNP -reëlings.Die vervolmaak van die bedradingstegniek is van uiterse belang vir effektiewe stroombaanprestasie;Selfs subtiele nuanses in PIN -oriëntasie kan die algehele werking van die kring beïnvloed.Hierdie begrip word deurgaans versterk in elektroniese werkswinkels en opleidingsprogramme, waar die klem lê op presisie in elektroniese ontwerp en montering.
Deel hierdie boodskap