Die
74HC00
74HC00
RENESAS
74HC00 ST SOP
In Stock: 6124 pcs
, 'n prominente lid van die CMOS-logiese IC-familie, integreer vier NAND-hekke in een pakket, en gebruik silikonhek-tegnologie om by LS-TTL-bedryfsnelhede te pas met veral laer kragverbruik.Hierdie mengsel van spoed en doeltreffendheid, aangevul deur die vermoë om tot tien LS-TTL-vragte en interne diode-klem te dryf vir elektrostatiese ontladingsbeskerming, posisioneer die 74HC00 as 'n veelsydige en betroubare komponent in digitale stroombaanontwerp.U kan die gebufferde uitsette waardeer vir verbeterde geraasimmuniteit en die verenigbaarheid daarvan met verskeie industrie-standaardekwivalente, wat dit 'n hoeksteen maak om innoverende en robuuste digitale stelsels te skep.
Katalogus
Die 74HC00met vier NAND-hekke, is dit bekend vir die aanpassing van die LS-TTL-familie.
Met behulp van silikon-hek CMOS-tegnologie bereik dit operasionele snelhede soortgelyk aan LS-TL, terwyl dit 'n fokus op lae kragverbruik behou.Met hierdie balans kan u spoed en doeltreffendheid benut en ontwerpe kweek wat weerklink met vindingrykheid.Bufferde hekuitsette verbeter geraasimmuniteit, 'n faktor wat bydra tot stabiele werkverrigting, selfs in uitdagende seinomgewings.
Die vermoë om tot tien LS-TTL-vragte te dryf, maak dit geskik vir stelsels waar talle seinuitsette verlang word.
Dit is toegerus met interne diode -klem en verminder die risiko's verbonde aan elektrostatiese ontlading.Hierdie funksie beklemtoon die rol daarvan in die uitbreiding van komponent-lang lewe, wat die wysheid subtiel weerspieël in die soeke na langtermynbetroubaarheid.
Vervangings en ekwivalente:
•
CD4011
CD4011
I-CORE
701
In Stock: 25220 pcs
• MC54HC00AJD
• M74HC00M1
• SN54LS00
• SN74HCT00DTE4
• 74hct132d
• 74hct00

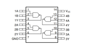
• Pins 1, 2, 4, 5, 9, 10, 12, 13: Data -insette
Hierdie penne is vervaardig om insetseine te ontvang wat die logiese bewerkings van die NAND -hekke in die chip lei.Die versekering van hierdie insette is vry van interferensie wat betroubare kringgedrag is, wat weerspieël vir beheer en voorspelbaarheid.
• penne 3, 6, 8, 11: data -uitsette
Hierdie penne tree op as uitsette en dra die resultate van die NAND Gate -berekeninge oor.Dit kan in verskillende digitale logiese konstruksies gebruik word, wat ingewikkelde logiese patrone saamwerk.As verskeie stroombane aan 'n enkele uitset gekoppel is, dui die potensiële ladingseffekte op die delikate balans wat in ingewikkelde verhoudings benodig word.
• Pin 7: Ground (GND)
Hierdie pen verbind aan die stelselgrond om 'n bestendige verwysingspunt vir spannings te bied.Die vestiging van so 'n stabiele verbinding sluit aan by die natuurlike strewe na grond en duidelikheid, wat die steurings tot die minimum beperk.
• Pin 14: Positiewe kragbron (VCC)
Deur die regte spanning deur hierdie pen te voed, ondersteun die werkverrigting van die toestel.Terwyl die handhawing van binne die gespesifiseerde reeks die lang lewe en doeltreffendheid verhoog, kan die ontkoppeling van kapasitors naby die kragpennetjies die operasie aansienlik stabiliseer, wat die strategieë weerspieël om die kompleksiteit van die lewe te bestuur.
Die
74HC00
74HC00
RENESAS
74HC00 ST SOP
In Stock: 6124 pcs
is ontwerp met vier onafhanklike NAND -hekke wat op kragdoeltreffendheid fokus, en u trek u met sy betroubare werkverrigting in digitale stroombane.Die indrukwekkende geraasimmuniteit dra by tot stabiele toepassings, wat baie aantreklik vind vir projekte wat konsekwentheid prioritiseer.Dit is beskikbaar in DIP- en SOIC -formate en voldoen aan verskillende ontwerpvereistes en bied buigsame PCB -uitlegopsies.
Die aanpasbaarheid van die 74HC00 laat dit toe om in 'n wye verskeidenheid logiese hekkonfigurasies en ingewikkelde stelsels te pas.U kan die robuuste inset-/uitsetbestuursvermoë waardeer, en dit nuttig vind om komplekse digitale funksies te vervaardig.
Die vermoë om onder verskillende omstandighede te werk, maak die 74HC00 gewild in onderwys en prototipe -ontwikkeling.Die gemak waarmee dit aanpas by verhoogde kringkompleksiteit, inspireer u om nuwe innovasies te verken sonder om prestasie op te offer.
Vervaardigeroorsig
Texas Instruments het 'n reputasie verdien vir sy toewyding aan betroubare en baanbrekende halfgeleierprodukte.Met hul onwrikbare fokus op duursaamheid en uitstekende prestasie, vind Texas Instruments se komponente hulself die kern van talle toepassings, wat hul effektiewe rol in die elektroniese industrie toon.
Fisiese afmetings
Meting van 8,65 mm x 3,91 mm x 1,58 mm, spog die
74HC00
74HC00
RENESAS
74HC00 ST SOP
In Stock: 6124 pcs
met 'n gladde ontwerp wat aangepas is vir kompakte omgewings.Hierdie afmetings vereenvoudig integrasie in uitleg van verskillende kringbord, waardeur u die beste uit die beperkte ruimte kan benut sonder om die merkwaardige vermoëns van die toestel in die gedrang te bring.
Elektriese eienskappe
Die toevoerspanning strek van 2V tot 6V, wat aanpasbaarheid bied in die keuse van kragbronne en die versoenbaarheid van 'n breë spektrum digitale stroombane te verseker.Hierdie spanningsbereik ondersteun veelsydige toepassings, wat die 74HC00 in staat stel om vaardig aan te pas by veranderende eise in dinamiese omgewings.
Temperatuur en omgewingstoestande
Die toestel is effektief tussen -40 ° C en 85 ° C en is ontwerp om in verskillende klimate en industriële toestande te floreer.Die weerstand teen temperatuur uiterstes maak dit 'n voorkeurkeuse vir verbruikerselektronika en industriële toepassings, waar omgewingsveranderlikheid 'n gegewe is.
Prestasie -statistieke
Die 74HC00 bied 'n vertraging van 23 nanosekondes aan, en dit presteer in die verwerking van doeltreffendheid wat benodig word vir hoëspoed-logiese funksies.Hierdie vinnige prestasie is voordelig vir toepassings soos digitale seinbeheer en kommunikasiestelsels, waar vinnige data -uitruiling 'n noodsaaklikheid is.
Strukturele samestelling
Die toestel bevat 4 hekke, vir NAND -logika -bewerkings, wat aansienlike funksies bied vir ingewikkelde logiese ontwerpe.Hierdie konfigurasie blyk voordelig te wees waar logiese bewerkings doeltreffend uitgevoer moet word, wat vinnige en betroubare verwerking binne stelsels verseker.
Klassifikasie
Die 74HC00 funksioneer as 'n logiese hek en dien as 'n primêre komponent in die skepping van digitale kring.U kan hierdie elemente gebruik om ingewikkelde digitale stelsels te konstrueer, waardeur berekeningsvermoë die verwerking van die verwerking op innoverende maniere verbeter.
Die
74HC00
74HC00
RENESAS
74HC00 ST SOP
In Stock: 6124 pcs
integreer vier afsonderlike NAND -hekke, elk met twee insette wat tot 'n enkele uitset lei.Die operasie hang af van 'n gedetailleerde waarheidstabel.Spesifiek daal die uitset slegs tot laag as beide insette hoog is.Andersins bly die uitset hoog - 'n primêre element in digitale logiese ontwerp, wat as 'n kernkomponent optree om meer ingewikkelde stroombane te vervaardig.
Positiewe terugvoering beïnvloed die stabiliteit oor hierdie hekke subtiel.Aangesien elke hek sy insette verwerk, dien terugvoer om 'n stabiele uitsettoestand te versterk, wat konstante prestasie bevorder.Hierdie ewewig word bereik deur die reaksies van die hek met die insetwaardes te harmoniseer.U kan hierdie aspek gebruik om stroombane te smee wat betroubare logiese toestande eis, wat 'n laag versekerde voorspelbaarheid ontbloot.
Die gryp van die subtiliteite van die inset-uitset-dinamika binne NAND-hekke verhoog die potensiaal vir vaartbelynde stroombaanontwerpe.Algemene toepassings sluit in die konstruksie van flip-flops en die uitvoering van logiese take soos en, of, en nie operasies nie.Hierdie veelsydigheid beklemtoon die aanvaarding daarvan oor 'n spektrum van kontekste, van eenvoudige beheermeganismes tot gesofistikeerde berekeningsraamwerke.
Die betroubare prestasie, wat nadink oor die breër nut van die 74HC00, vind die relevansie daarvan in velde wat verbruikerselektronika tot industriële outomatisering strek.Die krag om hierdie hekke in verskillende logiese raamwerke te rangskik, verleen aansienlike kreatiewe vryheid, wat innovasie aanmoedig.Die belangrikste beginsels van NAND -hekke inspireer pasgemaakte oplossings vir unieke tegnologiese hindernisse.
Die
74HC00
74HC00
RENESAS
74HC00 ST SOP
In Stock: 6124 pcs
is 'n viervoudige NAND-hek met twee insette wat ontwerp is met 'n pragtige presisie.Dit bevat 'n harmonieuse mengsel van praktiese en tegnologiese sofistikasie.
Funksies
• werk op 'n breë spanningsbereik
• Toon vinnige vertraging van die voortplanting
• Geskik vir hoëspoed- en lae-kragbedrywighede
Elektriese eienskappe
• Spanning en stroom: Hierdie komponent funksioneer oor 'n breedte van die spanningsvlakke, wat 'n verskeidenheid ontwerpbehoeftes kan bied.
• Temperatuurbereik: voer betroubaar oor verskillende temperatuurinstellings uit, wat aanpasbaarheid by verskillende omgewingstoestande moontlik maak.
Aansoeke
• Algemene gebruike: 'n veelsydige komponent, dit vind 'n plek in talle digitale stroombane, wat aan die behoeftes voldoen wat wissel van alledaagse take tot ingewikkelde toepassings met genade.
• Spesifieke implementerings: Van verbruikerselektronika tot industriële meganismes is die 74HC00 naatloos integreer en die nut daarvan in elke toepassing manifesteer.
Die
74HC00
74HC00
RENESAS
74HC00 ST SOP
In Stock: 6124 pcs
-chip vertoon merkwaardige aanpasbaarheid en verskyn gereeld in verskillende elektroniese kontekste danksy die breë spektrum van funksies.
Buffering en bestuur
Die 74HC00 funksioneer vaardig as 'n buffer of drywer en bevorder naatlose konneksie oor stroombane.Deur spanningsdruppels te minimaliseer en seinafbraak te beperk, bepaal dit konstante kommunikasie tussen komponente.In praktiese elektronika kan die gebruik van die 74HC00 as 'n buffer die vermoë van 'n mikrobeheerder versterk om verskeie LED's of relaismodules te aktiveer, 'n gereelde funksie in DIY-projekte.
Logiese operasies
Hierdie chip stel logiese bewerkings moontlik, soos NAND -hekke, wat die kern van ingewikkelde stelsels vorm.Die moeitevolle integrasie daarvan in verskillende logiese stroombane beklemtoon die bruikbaarheid daarvan.In digitale ontwerp bemagtig die hefboomfinansiering van Nand Gates u om gesofistikeerde logiese stroombane met minder komponente te konstrueer, wat beide bekostigbaarheid en kompaktheid verhoog.
Integrasie van ingeboude stelsels
Binne ingebedde stelsels stroomlyn die uitvoering van die 74HC00 deur die uitvoering van die taak deur logiese funksies binne mikrobeheerder -inisiatiewe in te sluit.
Talle IoT -toestelle gebruik hierdie skyfie om voorwaardelike kontrole uit te voer en om perifere toestelle te bestuur, wat die reaksie en betroubaarheid van die stelsel verhoog.
Vlak omskakeling
Die 74HC00 dien 'n effektiewe rol in die omskakeling van vlak, en pas die seinvlakke onder verskillende stroombaan aan.Dit vergemaklik die gladde koppelvlak van komponente met uiteenlopende spanningsbeoordelings.In gemengde spanning-situasies, soos die koppeling van 'n 5V-mikrobeheerder aan 'n 3.3V-sensor, oorbrug die 74HC00 die kloof naatloos, wat die presiese datadeling verseker.
Tydsberekening en beheerstroombane
Die chip bevat ook die tydsberekening en beheerkringbane, wat help met die noukeurige koördinering van opeenvolgende logiese take, wat toepassings soos vertragingslynstroombane en polsgenerering verbeter.Die verfyning van tydsberekeningstroombane met die 74HC00 verhoog die presisie in take soos sinchroniese kommunikasiestelsels, wat die getrouheid van data deur noukeurige tydsbestuur beskerm.
Digitale vergelyker vir binêre vergelyking
Die 74HC00 funksioneer as 'n digitale vergelyker vir binêre vergelykings, ideaal vir besluitneming binne digitale raamwerke.Dit onderskei gelykheid of variasie tussen binêre syfers.Die gebruik van die 74HC00 vir binêre vergelyking is 'n doeltreffende roete om vertakkingbesluite in uiteenlopende digitale protokolle te implementeer, wat die prestasie van die stelsel in aktiwiteite versterk.
74HC00 DATABEL:
74HC00 Besonderhede PDF74HC00 Besonderhede PDF vir FR.PDF74HC00 Besonderhede PDF vir KR.PDF74HC00 Besonderhede PDF daarvoor.pdf74HC00 Besonderhede PDF vir ES.pdf
1. Wat is die funksionaliteit van die 74HC00?
Die 74HC00 bevat vier onafhanklike 2-inset-NAND-hekke, wat binne 'n kragbereik van 2.0V tot 6.0V werk.Deur digitale logika -stelsels te bedien, maak dit die vorming van logiese bewerkings moontlik, wat die ruggraat van ingewikkelde digitale argitekture vorm.
2. Hoeveel NAND -hekke bevat die 74LS00?
Die 74LS00 bestaan uit 'n stel van vier NAND -hekke, elk ontwerp met twee insette en 'n enkelvoudige uitset.Hierdie konfigurasie is 'n algemene keuse by die ontwikkeling van eenhede in digitale elektronika.
3. Wat onderskei die 74HC00 van die 74LS00?
'N Belangrike verskil is hul spanningsaanpassbaarheid.Die 74HC00 werk binne 'n 2V tot 6V -reeks, terwyl die 74LS00 tot 'n 5V -kragbron beperk is.Seleksie hang dikwels af van die variasies van toepassingsbehoeftes en omgewingsfaktore.
4. Kan u die 74HC -reeks beskryf?
Die 74HC-reeks bevat hoë-snelheid CMOS-geïntegreerde stroombane, wat TTL-versoenbare snelhede met verminderde kragverbruik bied.Hul verenigbaarheid met die 74LS -reeks se PIN -uitlegte maak dit moontlik vir maklike integrasie en vervanging in bestaande stroombane.
5. Wat is die toepassings van die 74HC00?
In digitale stroombane is die 74HC00 instrumenteel waar NAND -logiese hekke benodig word vir seininversie en die uitvoering van komplekse logiese aksies.Die aanpasbaarheid daarvan maak dit 'n waardevolle bate in opvoedkundige kontekste en professionele elektroniese ondernemings.
Deel hierdie boodskap